장비 소개
DWY 형 벨트 필터 프레스는 우리 공장에서 설계하고 제조합니다. 그것은 S 자 모양의 필터 벨트를 가지고 있으므로 슬러지의 압력이 점차 증가하고 완화됩니다. 유기 친수성 물질 및 무기 소수성 물질의 탈수에 적합하다. 침전 영역이 길어짐에 따라, 이 일련의 프레스 필터는 다양한 유형의 재료의 필터 프레싱 및 탈수에 대한 풍부한 경험을 가지고 있습니다. 인쇄 및 DLYing 슬러지, 전기 도금 슬러지, 제지 슬러지, 화학 슬러지, 도시 하수 슬러지, 광산 슬러지, 중금속 슬러지, 가죽 슬러지, 드릴링 슬러지, 식품 슬러지, 알루미늄 슬러지, 정유 공장 "세 슬러지", 화학 섬유 공장의 가스 부유 슬러지, 세라믹 연마 폐수 슬러지, 양조장 생화학 슬러지, 알칼리 염 만들기 슬러지, 젖은 제련 슬러지, 전해 망간 이산화 슬러지, 증류기 곡물 슬러지, 전분 슬러지, 황철광 슬러지, 카바이드 슬래그 슬러지, 카올린 슬러지, 시멘트 공장 슬러지, 석탄 세척 공장 슬러지, 소결 농축 대형 슬러리 슬러지, 철강 공장 광미 슬러지, 철강 공장 컨버터 슬러지, 철강 공장 고로 가스 슬러지 및 다른 산업의 슬러지, 우리는 고객이 하수의 처리 능력을 향상시킬 수 있도록 벨트 프레스 필터에 특별한 디자인을 가지고, 케이크의 수분 함량을 줄이고 운영 비용을 줄입니다.

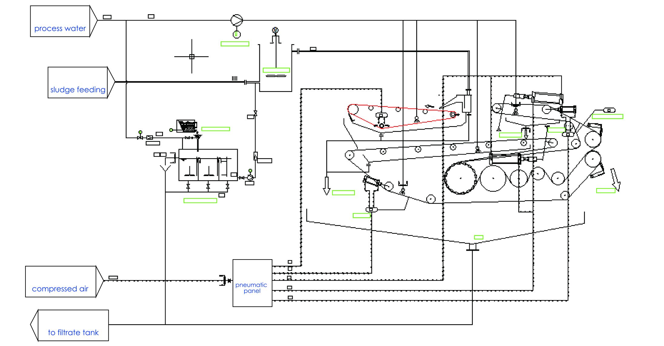
● 재료 컨디셔닝 시스템은 재료 및 탈수 요구 사항에 따라 설계 할 수 있습니다. 그것은 좋은 응집 효과, 적은 응집 용량 및 낮은 운영 비용을 달성 할 수 있습니다.
● 가공 재료에 따라 필터 벨트 재료를 선택하십시오. 필터 벨트는 재료 탈수의 탁월한 효과를 보장하기 위해 여과, 재생 및 스트리핑 성능이 우수합니다.
● 원심 펌프, 필터 및 물 분사 파이프 등이 장착되어 필터 벨트의 재생 효과가 좋고, 물 분무 파이프는 청소가 쉽고 물 소비가 적습니다. 필터 벨트는 배출수로 씻을 수 있습니다.
● 벨트 속도 조정은 간단하고 최상의 벨트 속도를 선택하기 쉽습니다.
● 중력 탈수 구역에는 재료의 표면 장력을 파괴하고 탈수 효과를 향상시키는 여러 가지 재료 쟁기 harrows가 장착되어 있습니다.
● 프레스 탈수 구역을 연장하는 것은 특히 가공하기 어려운 일부 재료의 탈수에 적합하며, 끈적 거리고 섬유에 얽혀 있으면, 문자열 및 기타 파편 (예: 인쇄 및 DLYeing 슬러지). 필터 벨트의 인장 및 리디렉션은 공압 부품으로 인해 자동으로 제어 할 수 있습니다. 조정 및 유지 보수가 쉽고 안정적이며 신뢰할 수 있습니다. 전체 기계의 자동화 정도는 매우 높으며 운영자의 노동 강도가 낮습니다. 개방형 디자인은 장비 작동을 관찰하고 조정 및 유지 보수를 용이하게하는 전체 기계를 편리하게 만듭니다.)

